Линии для производства полок и панелей торговых стеллажных систем

 
01.04.2026

Линии для производства полок и панелей торговых стеллажных систем

Линии предназначены для изготовления в автоматическом режиме торговых стеллажных полок и панелей методом непрерывного профилирования из рулонной заготовки.

С целью расширения вашего производства дополнительной гаммой выпускаемых изделий предлагаем к поставке и внедрению на вашем производстве комплекса оборудования ООО «Инженерный центр «АМТинжиниринг» для производства элементов торговых стеллажных систем: торговых полок и панелей различной конфигурации.

Преимущества работы с нашей компанией
1. Собственное проектирование и производство;
2. Сервисная поддержка не менее 15 лет;
3. Конструктив для промышленной эксплуатации при 2-3 сменной работе.
4. Конструкторская документация на оснастку и инструмент.

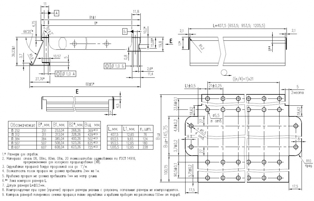
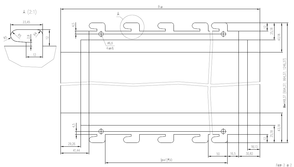
Полка стеллажная (под установку ценников):
Габариты длины/ширина, мм: 407,5; 653,5; 953,5; 1205,5 / 267; 328; 400; 523; 623 (возможны другие размеры вариантов исполнения)
Фото полка ЛПП800.JPG
Полка ЛПП800.jpg

Линия профилирующая ЛПП800 обеспечивает производство заготовок панелей в соответствии с чертежом и включает в себя следующие основные изделия:

Планировка ЛПП800.JPG
Линия профилирующая панелей ЛПП800
1. Рулоноразматыватель
2. Подкатная тележка
3. Пресс-блок
4. Машина профилирующая
5. Пресс гибочно-отрезной
6. Гидрооборудование
7. Пневмообрудование
8. Электрооборудование
9. Комплект ЗИП

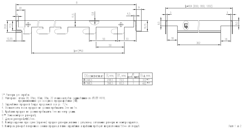
Полка стеновая (с крючками):
Фото полка ЛПП500.JPG

Габариты длины/ширина, мм: 404; 656; 950; 1202 / 248,5; 398,5 (возможны другие вариантов исполнения)
Полка ЛПП500-1.jpg
Полка ЛПП500-2.jpg

Линия профилирующая ЛПП500 обеспечивает производство заготовок панелей в соответствии с чертежом и включает в себя следующие основные изделия:

Линия профилирующая панелей ЛПП500
1. Рулоноразматыватель
2. Пресс-блок
3. Машина профилирующая
4. Пресс гибочно-отрезной
5. Гидрооборудование
6. Пневмообрудование
7. Электрооборудование
8. Комплект ЗИП

Фото ЛПП500-ЛПП800.JPG
Оборудование в данном исполнении проектировалось и изготавливалось. В случае заинтересованности в оборудовании для изготовления стеллажных полок ждём ваших запросов. Мы можем предложить исполнение оборудование подходящее под ваши задачи и сроки поставки.

t. +375-17-500-31-13
f. +375-17-500-31-32
+375255001523 (Viber, Whatsapp, МАКС)
amtengine@amtengine.com

Return